Paramount Bearing & Industrial Products
Home
About
Bearing Store
Spherical Roller Bearing
Axial Spherical Roller Bearing
More
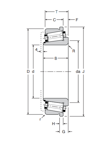
181118/ 181190XC
d- 118,000 D-190,500 T- 47,62FLANGED CUP (C TYPE)